


|
|
Here there is a simple light sketch for GT cars.
Look at my " Porsche with lights " page. The result, if well built, is brilliant! |
|---|
|
LIGHTS SKETCH |
|
|
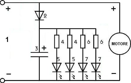
1 - collegamento al pick up; attenti alla polarità!
2 - n.1 diodo z.B. 1N4007 3 - n.1 condensatore elettrolitico da 2200 microfarad 4 - n.2 resistenze da 4,7 k ohm 5 - n.2 diodi rossi piccoli per luci posteriori 6 - n.2 resistenze da 1,2 k ohm 7 - n.2 diodi bianchi da 5mm per luci anteriori (effetto xenon!) Il condensatore mantiene le luci accese per circa 2 sec dopo che manca l'alimentazione; ciò consente di avere le luci sempre costanti anche nelle staccate più lunghe! |
|
A WELL DONE JOB! |
|
|
|
|
|
|---|